custom topre (electrocapacitive) keyboard building guide forked from https://github.com/tomsmalley/custom-topre-guide
 
Go to file
Tom Smalley 73344b221b Initial commit 2017-02-09 07:54:15 +00:00
.gitignore Initial commit 2017-02-09 07:54:15 +00:00
README.md Initial commit 2017-02-09 07:54:15 +00:00
schematic.png Initial commit 2017-02-09 07:54:15 +00:00

README.md

Guide for designing a custom Topre keyboard

Circuitry

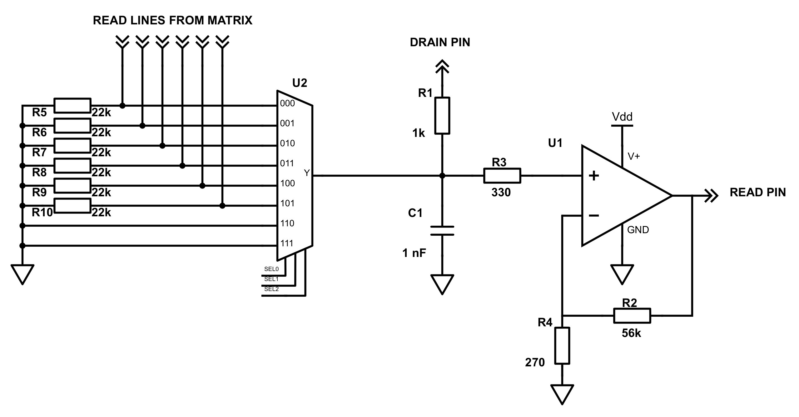
Overview

The method I use to sense key depression is rather simple. In tests that I have done it works well provided some calibration is performed in the firmware to normalise the readings.

Schematic

Hardware (case/plate)

Firmware